G209 SCREW PIN ANCHOR SHACKLES

banner
Detalle Gráfico
Detalle Gráfico
Detalle Gráfico
Detalle Gráfico
Detalle Gráfico
Detalle Gráfico
Detalle Gráfico
Detalle Gráfico
Detalle Gráfico
Detalle Gráfico
Detalle Gráfico
Detalle Gráfico
Detalle Gráfico
Detalle Gráfico

HERRAJES DE APAREJO

G209 GRILLETES DE ANCLAJE CON PASADOR DE TORNILLO

Número de artículo: #S2101

Compartir:

Detalles del producto


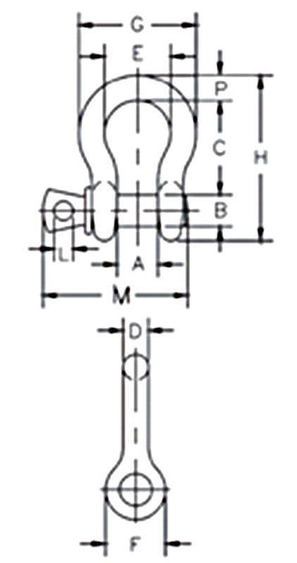
Grilletes con pasador de anclaje de tornillo de aleación G-209A

Nominal

Size

Working

Load

Limit

Weight

Each

Dimensions

(in)

Tolerance

(+ / - in)

(in)(t)(lb)

A

B

C

D

E

F

G

H

L

M

P

C

A

3/8

2

.31

.66

.44

1.44

.38

1.03

.91

1.78

2.49

.25

2.03

.38

.13

.06

7/16

2.67

.38

.75

.50

1.69

.44

1.16

1.06

2.03

2.91

.31

2.38

.44

.13

.06

1/2

3.33

.63

.81

.63

1.88

.50

1.31

1.19

2.31

3.28

.38

2.69

.50

.13

.06

5/8

5

1.38

1.06

.75

2.38

.63

1.69

1.50

2.94

4.19

.44

3.34

.69

.13

.06

3/4

7

2.35

1.25

.88

2.81

.75

2.00

1.81

3.50

4.97

.50

3.97

.81

.25

.06

7/8

9.5

3.61

1.44

1.00

3.31

.88

2.28

2.09

4.03

5.83

.50

4.50

.97

.25

.06

1

12.5

5.32

1.69

1.13

3.75

1.00

2.69

2.38

4.69

6.56

.56

5.07

1.06

.25

.06

1-1/8

15

7.25

1.81

1.25

4.25

1.16

2.91

2.69

5.16

7.47

.63

5.59

1.25

.25

.06

1-1/4

18

9.88

2.03

1.38

4.69

1.29

3.25

3.00

5.75

8.25

.69

6.16

1.38

.25

.06

1-3/8

21

13.25

2.25

1.50

5.25

1.42

3.63

3.31

6.38

9.16

.75

6.84

1.50

.25

.13

Factor de diseño de 4,5:1. La carga de prueba máxima es el doble de la carga límite de trabajo (toneladas métricas) y 2,2 veces la carga límite de trabajo (toneladas cortas). Para obtener información sobre la reducción de la carga límite de trabajo debido a aplicaciones de carga lateral, consulte Advertencias y Aplicaciones.




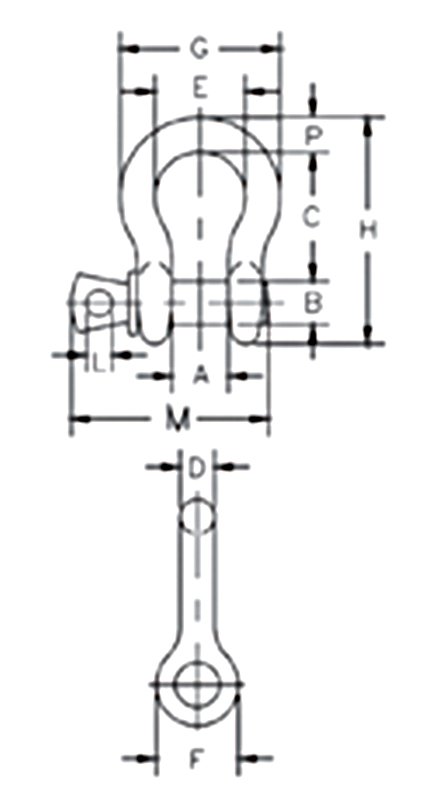
Grilletes de anclaje con pasador roscado G-209 / S-209

Nominal

Size

Working

Load Limit

Weight

Each

Dimensions (in)

Tolerance

(+ / - in)

(in)(t)(lb)

A

B

C

D

E

F

G

H

L

M

P

C

A

3/16

0.33

.06

.38

.25

.88

.19

.60

.56

.98

1.47

.16

1.14

.19

.06

.06

1/4

0.5

.10

.47

.31

1.13

.25

.78

.62

1.28

1.84

.19

1.43

.25

.06

.06

5/16

0.75

.18

.53

.38

1.21

.31

.84

.75

1.46

2.09

.22

1.71

.31

.06

.06

3/8

1

.31

.66

.44

1.45

.38

1.03

.92

1.79

2.50

.25

2.06

.38

.13

.06

7/16

1.5

.38

.75

.50

1.69

.44

1.16

1.06

2.04

2.91

.31

2.37

.44

.13

.06

1/2

2

.72

.81

.62

1.88

.50

1.31

1.18

2.31

3.28

.38

2.69

.50

.13

.06

5/8

3.25

1.37

1.06

.75

2.38

.62

1.69

1.50

2.93

4.19

.44

3.34

.69

.13

.06

3/4

4.75

2.35

1.25

.88

2.81

.75

2.00

1.81

3.50

4.97

.50

3.97

.81

.25

.06

7/8

6.5

3.62

1.44

1.00

3.31

.88

2.28

2.10

4.04

5.83

.50

4.50

.97

.25

.06

1

8.5

5.03

1.69

1.12

3.76

1.00

2.69

2.38

4.69

6.56

.56

5.13

1.06

.25

.06

1-1/8

9.5

7.41

1.81

1.25

4.27

1.16

2.91

2.68

5.15

7.47

.63

5.97

1.25

.25

.06

1-1/4

12

9.50

2.03

1.38

4.69

1.29

3.26

3.00

5.76

8.26

.69

6.50

1.38

.25

.06

1-3/8

13.5

13.53

2.25

1.53

5.22

1.42

3.62

3.31

6.38

9.16

.75

6.93

1.50

.25

.13

1-1/2

17

17.20

2.38

1.63

5.76

1.53

3.88

3.62

6.94

10.00

.81

7.43

1.62

.25

.13

1-3/4

25

27.78

2.88

2.00

7.00

1.84

5.00

4.19

8.80

12.34

1.00

9.19

2.25

.25

.13

2

35

45.00

3.25

2.25

7.75

2.08

5.75

4.81

10.15

13.68

1.13

10.36

2.40

.25

.13

2-1/2

55

85.75

4.12

2.75

10.51

2.72

7.25

5.81

12.75

17.92

1.38

13.17

3.13

.25

.25

Factor de diseño 6:1. La carga de prueba máxima es el doble de la carga límite de trabajo. Para obtener información sobre la reducción de la carga límite de trabajo debido a aplicaciones de carga lateral, consulte Advertencias y aplicaciones.

Revisión

Escribir una opinión

Consulta ahora

Nombre del producto:G209 GRILLETES DE ANCLAJE CON PASADOR DE TORNILLO

*Archivado requerido

Productos relacionados

G213 GRILLETES DE ANCLAJE DE PASADOR REDONDO

G213 GRILLETES DE ANCLAJE DE PASADOR REDONDO

G213 GRILLETES DE ANCLAJE DE PASADOR REDONDO

G2130 GRILLETES DE ANCLAJE TIPO PERNO

G2130 GRILLETES DE ANCLAJE TIPO PERNO

G2130 GRILLETES DE ANCLAJE TIPO PERNO

G210 GRILLETES DE ANCLAJE DE CADENA CON PASADOR DE TORNILLO

G210 GRILLETES DE ANCLAJE DE CADENA CON PASADOR DE TORNILLO

G210 GRILLETES DE ANCLAJE DE CADENA CON PASADOR DE TORNILLO

G2140 GRILLETES DE ANCLAJE TIPO PERNO

G2140 GRILLETES DE ANCLAJE TIPO PERNO

G2140 GRILLETES DE ANCLAJE TIPO PERNO

GRILLETES DE CADENA TIPO PERNO G2150

GRILLETES DE CADENA TIPO PERNO G2150

GRILLETES DE CADENA TIPO PERNO G2150